Sign In | Join Free | My futurenowinc.com
China Mega Source Elec.Limited logo
Mega Source Elec.Limited
MEGA SOURCE ELEC. CO., LIMITED Professional electronic distributor to provide One-stop Service
Active Member

13 Years

Home > Integrated Circuit Chip >

Integrated Circuit Chip Integrated Multiprotocol Processor User’s Manual

Mega Source Elec.Limited
Contact Now

Integrated Circuit Chip Integrated Multiprotocol Processor User’s Manual

Integrated Circuit Chip Integrated Multiprotocol Processor User’s Manual

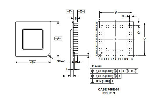
MC68302PV16VC is a Integrated Multiprotocol Processor User’s Manual . Part NO: MC68MH360AI33L Brand:  MOTOROLA Mounting Type: Surface Mount Date Code: 03+ Quality Warranty: 3 Months Application: ...

Product Tags:

ic integrated circuits

      

integrated circuit chips

      
Send your message to this supplier
 
*From:
*To: Mega Source Elec.Limited
*Subject:
*Message:
Characters Remaining: (0/3000)