Sign In | Join Free | My futurenowinc.com
China Mega Source Elec.Limited logo
Mega Source Elec.Limited
MEGA SOURCE ELEC. CO., LIMITED Professional electronic distributor to provide One-stop Service
Active Member

13 Years

Home > Hard Disk >

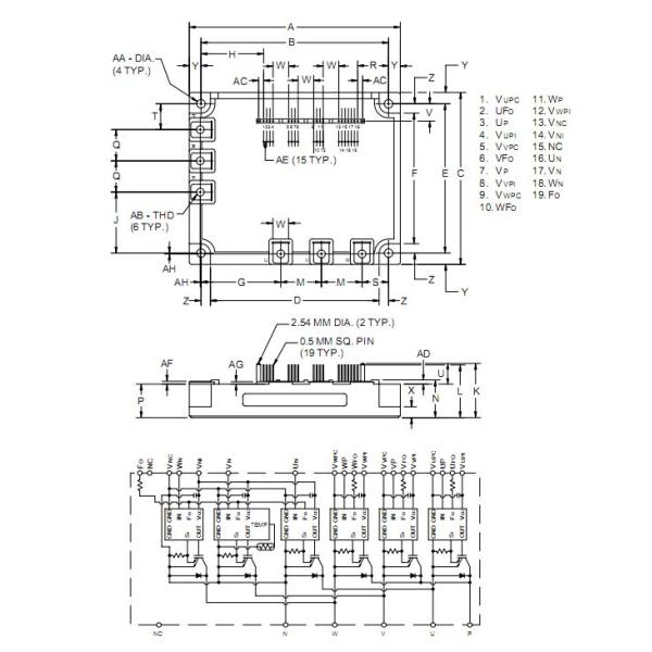
PM200CSA060 PM200CSA060 USING INTELLIGENT POWER MODULES MITSUBISHI igbt power

Mega Source Elec.Limited
Contact Now

PM200CSA060 PM200CSA060 USING INTELLIGENT POWER MODULES MITSUBISHI igbt power

PM200CSA060 PM200CSA060 USING INTELLIGENT POWER MODULES MITSUBISHI igbt power

PM200CSA060 is a PM200CSA060 USING INTELLIGENT POWER MODULES. Part NO: PM200CSA060 Brand: MITSUBISHI Mounting Type: Screws Date Code: 02+ Quality Warranty: 3 Months     Overview We specialize in high ...

Product Tags:

server grade hard drive

      

laptop hard drive

      
Send your message to this supplier
 
*From:
*To: Mega Source Elec.Limited
*Subject:
*Message:
Characters Remaining: (0/3000)