Sign In | Join Free | My futurenowinc.com
China Mega Source Elec.Limited logo
Mega Source Elec.Limited
MEGA SOURCE ELEC. CO., LIMITED Professional electronic distributor to provide One-stop Service
Active Member

13 Years

Home > Hard Disk >

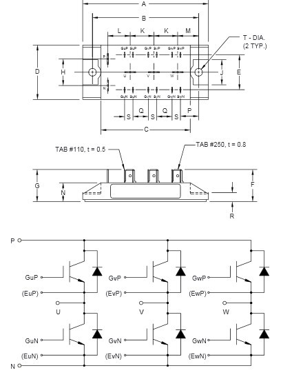
CM15TF-12 MEDIUM POWER SWITCHING USE INSULATED TYPE MITSUBISHI igbt power module

Mega Source Elec.Limited
Contact Now

CM15TF-12 MEDIUM POWER SWITCHING USE INSULATED TYPE MITSUBISHI igbt power module

Place of Origin : JAPAN

Brand Name : MITSUBISHI

Certification : RoHS Compliant

Model Number : CM15TF-12

MOQ : 1 Pcs

Price : Pls Contact sales team

Packaging Details : Standard Packaging

Delivery Time : 1 Day

Payment Terms : T/T, Paypal, Western Union Escrow etc.

Supply Ability : 2411

Contact Now

CM15TF-12 is a MEDIUM POWER SWITCHING USE INSULATED TYPE.

Part NO: CM15TF-12 Brand: MITSUBISHI Mounting Type: Screws
Date Code: 02+ Quality Warranty: 3 Months    

Overview

We specialize in high power and power conversion modules of famous brands

Categories include: Darlington Schottky, rectifier intelligent, IGBT, IPM, GTR, DC-DC, AC-DC rectifier and power supply and other modules.

Applications: power conditioning, frequency conversion equipment, motor speed, ship naval, aerospace, terminal handling, airport facilities, mining and drilling, welding and other high-tech areas of network communications and heavy machinery. They can play an effect of high-frequency power conversion, digital control, fully resonant frequency soft switching, synchronous rectification, intelligent control, electromagnetic compatibility, power factor correction, power protection and control, Parallel flow control, pulse width modulation .

Please pay attention to the following when your are purchasing

1 Module can be directly mounted on a power supply device of printed circuit board, which is characterized by supplying power to specific integrated circuit (ASIC), a digital signal processor (DSP), a microprocessor, a memory, a field programmable gate array (FPGA ) and other digital or analog load.

2 We will offer pictures to our customers first and arrange shipment immediately after they make a confirmation. To protect your interest, please make sure to carefully review the pictures to ensure that model, suffix, packaging, appearance, etc. can meet your requirements before our sales team effect shipment. We don’t accept any return of goods due to the above reasons of uncertainty.

3 We have the most direct supply channels with manufacturers, supplier agents working closely so as to reduce product circulation. We are strict with quality, inspection and testing as they our essential work. At the same time,we also provide thoughtful, multi-faceted and comprehensive after-sales service.


Product Tags:

notebook hard drive

      

laptop hard drive

      
Wholesale CM15TF-12 MEDIUM POWER SWITCHING USE INSULATED TYPE MITSUBISHI igbt power module from china suppliers

CM15TF-12 MEDIUM POWER SWITCHING USE INSULATED TYPE MITSUBISHI igbt power module Images

Inquiry Cart 0
Send your message to this supplier
 
*From:
*To: Mega Source Elec.Limited
*Subject:
*Message:
Characters Remaining: (0/3000)